Hi,欢迎来到中科仪器汇-环保与实验室仪器的专业采购服务平台!
中科仪器汇-环保与实验室仪器的专业采购服务平台
服务热线

4008118353

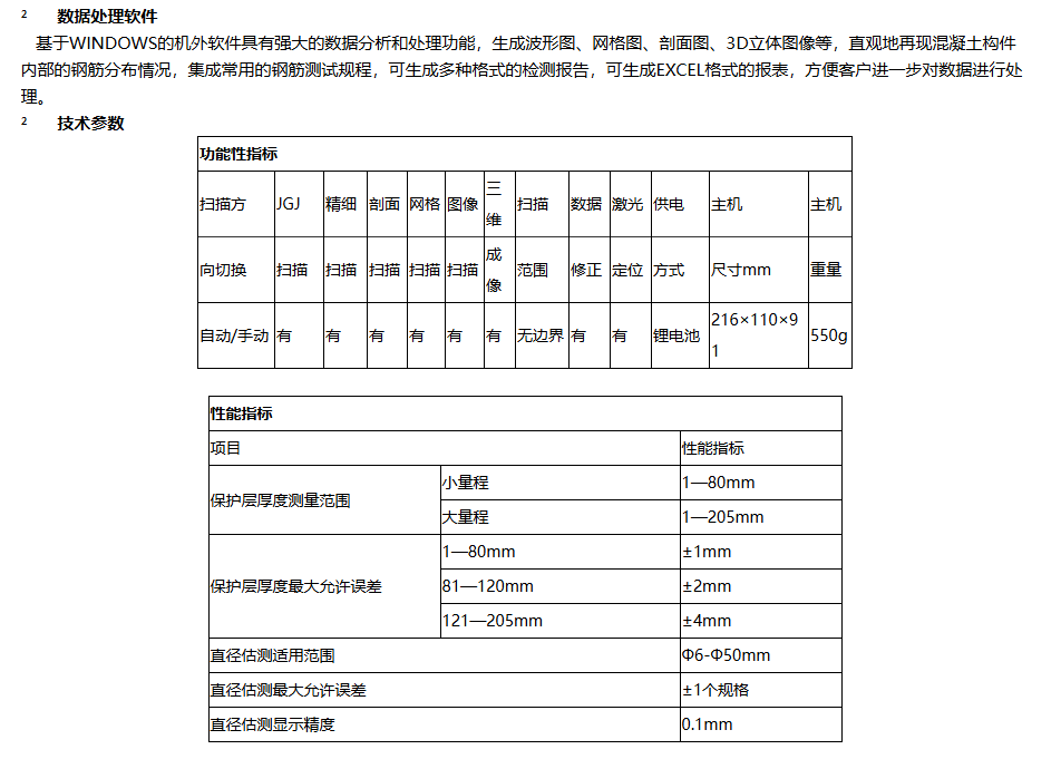
钢筋保护层

中科仪器汇,专注于环保与实验室领域,汇聚国内外优质仪器品牌,为客户提供专业的一站式采购服务,正品保证,全网底价。一个需求,多套解决方案可选,效率更高,价格更省、服务更便捷。
所属栏目: 钢筋保护层

手机:

正品行货
品类齐全
一站式服务
一对一客服
钢筋保护层

服务说明

1、由聚仪惠发货,并提供售后服务

2、因库存实时变化,具体发货时间以实际发货为准

产品详情


上一篇: 没有了

下一篇: 没有了

在线咨询

注意:请留下您的电子邮件地址,我们的专业人员会尽快与您联系!